Per pinze ER DIN 6499/ISO 15488, CON Ø SERRAGGIO A MISURA INTERA. Per attacchi DIN 6535 anche con lubrificazione interna. Di altissima precisione, ad altissima tenuta, garantiscono la massima centratura di utensili come frese, punte, svasatori, alesatori, bareni ecc. con i più alti momenti torcenti. La perfetta esecuzione della ghiera a filetto trapezoidale e a doppia guida lunga garantisce la massima centratura, l’ottimale precisione di rotazione e ripetibilità, l’ideale tenuta e la facile sostituzione delle pinze.
Utilizzati in combinazione con le pinze orig. Fahrion Art. 1561 GL-N assicurano una precisione del sistema minore o uguale a 8 µm.
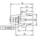
MANDRINI MAS/BT PORTA-PINZE TIPO ER
Attacco BT 40 secondo norme MAS/BT, terminale con filetto interno M16.
Grado di bilanciamento G 6,3 a giri 15000 1/min.
I mandrini vengono forniti senza ghiere e senza anelli di tenuta.
Per ghiere e anelli ved. Art. 1560 GPA-B-C-E.
La quota E si riferisce a utensili con attacco inferiore o uguale a 16 mm.
La quota F si riferisce a utensili con attacco maggiore a 16 mm.
Spedizione rapida in tutta Italia, gratuita sopra i 150€
✅ Consegna veloce, con estrema attenzione al packaging
✅ Ordina entro le 17:00 per accelerare la consegna
✅ Assistenza tecnica tramite telefono o live chat

